智行千里, 造想未来

MORE +
电磁仿真

技术内容

流体仿真
Technical content
新闻资讯
结构仿真

集CAD、CAE、CAM的开发系统:NX使用方法与技巧|创建草图

来源: | 作者:佚名 | 发布时间: 2024-09-20 | 406 次浏览 | 🔊 点击朗读正文 ❚❚ | 分享到:

我们最新的NX™软件方法与技巧视频讨论了如何使用NX草图来实现新的设计变更。草图功能是创建2D轮廓的基础,而2D轮廓是3D建模的基础。

 

更具体地说,在这个视频中,我们将研究如何在所需平面上创建草图,完全定义草图并将草图转化为可操作的设计变更。

 

NX草图是什么?

NX草图是一款专门用于创建和编辑2D草图的工具,而2D草图对于创建3D模型至关重要。我们可以使用它绘制几何形状、线条和曲线,以确定我们3D模型的基本轮廓。

 

除了简单绘图,NX草图还提供了精确和控制方面的高级功能。我们可以将尺寸应用到草图中,确保几何关系和尺寸的一致性和准确性。这种参数化设计能力允许动态更新,草图中某一部分的更改会自动传播到整个模型。

 

NX草图还能与其他NX功能无缝集成,使您能够将2D草图转换为3D特征,如拉伸、旋转和扫掠。它支持复杂操作,如草图模式、镜像和投影,从而提高建模效率。此外,该工具还提供强大的编辑选项,便于随着设计的发展进行轻松地修改和完善。

 

通过使用NX草图的综合工具集,工程师和设计师可以在模型中实现更高的精度,简化设计工作流程,并缩短从概念草图过渡到完全实现3D组件所需的时间。

 

在所需平面上创建草图   

选择合适的平面来绘制草图是我们最新的方法与技巧视频的一个重点。在创建新特征时,这样做可以最大限度地提高效率非常重要,总而言之,可以促进更快的工作流程。

 

首先,NX提供一个自动判断平面选项。在这里,我们可以选择模型上任何现有平面,坐标系将捕捉到所选面的一个角。这使得快速绘制草图变得简单易行。在大多数情况下,这就是我们所需的。

 

如果我们想使用比NX从现有部件中确定的平面更复杂的平面,我们可以将平面方法从“自动判断”更改为“新平面”。此新窗口将提供自定义平面位置和草图方向,以及草图原点的功能。

 

更具体地说,我们可以创建的一些新平面可以与现有平面保持一定距离或角度。这可能是最常见的两种情况,但我们也可以将平面选择作为平分线、切线,甚至只是x、y和z方向上的平面。

 

我们提供了一系列平面选项确保我们可以轻松地将任何设计理念转化为2D草图,然后再转化为3D概念图。草图方向和原点的定制更多是出于个人偏好和尺寸标注技术的考虑,但定制功能同样可以帮助您根据自己的需求定制体验。

 

NX

NX 

 

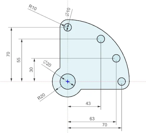
本期方法与技巧中的另一个焦点是如何标注草图并生成完全定义的模型。

 

要对线条标注尺寸,我们只需点击要参数化的线条,NX就会识别出我们准备好进行标注。类似地,对于圆和圆角,我们可以通过点击目标曲线来应用半径。在两点、曲线或直线之间标注尺寸的一个重要技巧是连续选择两者。同样,NX会识别出我们是在两个位置之间标注尺寸,并为我们提供一个可参数化的值来控制草图的尺寸。

 

创建草图最重要的一点是知道完全定义我们的部件的足够条件。下面我们可以看到一个尚未标注尺寸的草图和完全定义后的同一草图。需要注意的主要区别是,一旦草图完全定义,它将从棕色变为黑色,以表示已被完全定义。您可以在首选项设置中自定义这些颜色,但棕色和黑色是NX默认显示的颜色。

 

NX


NX 

 

NX中完成草图后,我们就可以创建3D几何体了。

 

我们可以使用拉伸功能将2D草图沿着指定的轴推或拉,延伸成三维实体。

 

此外,我们还可以应用旋转功能将草图绕轴旋转,形成对称的实体,或使用扫掠工具沿指定路径移动草图,创建更复杂的形状。这些步骤将2D设计转变为详细的3D模型,为后续的进一步完善和开发奠定基础

名称描述内容

  技术要点

相关内容

更多

品牌软件